sg-crest
Hotlines
  • 995

    Fire Engine / Ambulance

  • 1777

    Non-Emergency Ambulance

  • Fire Hazard Reporting

    1800 280 0000

  • General Enquiries

    1800 286 5555

  • 995

    Fire Engine / Ambulance

  • 1777

    Non-Emergency Ambulance

Legend: Explanations & Illustrations Rationale Note Figures & Tables Revision history

Clause 3.6 Penetration of Services

3.6.1 Electrical Services

a. All service conduits shall not penetrate through the walls and slabs of the HS. Service conduits for electrical service cables which are cast in the external face of HS can be embedded in the HS wall. Other than this, all service conduits which do not serve the HS shall not be embedded within the HS walls and slabs.

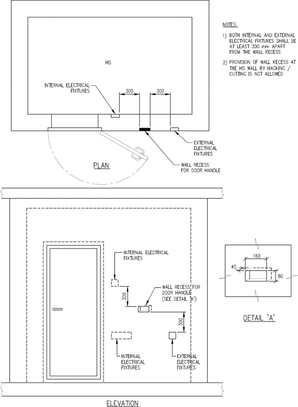
b. Two cast-in service outlets located directly back-to-back on the internal and external faces of the HS wall are not permitted as shown in FIGURE 3.6.1(b). Service outlets shall be fixed with at least a clear distance of 300mm between each other. See FIGURE 2.13.

F

c. Risers for services can be mounted on the external face of HS tower walls.

d. Where service cables and fixtures in the HS are exposed on internal walls, non-metallic inserts are to be used for their mounting. For embedded service cables and fixtures serving the HS, the details as shown in FIGURE 3.5.4(g) shall be followed. The encasement for the switch, 13A switched socket outlet and communication line for telephony outlets of Clause 2.7 shall be made of hot-dipped galvanised steel construction. See FIGURE 3.6.1(d).

F

e. A maximum of 4 numbers of 25mm diameter conduits are allowed to be embedded within the HS walls for electrical cables serving fixtures in the HS. Both ends of these conduits on the internal and the external of the HS shall be fully sealed with sealing material in accordance with the manufacturer’s specification and up to a depth of not less than 100mm into the conduits to ensure air-tightness of HS.

3.6.2 Water and Gas Services

Service pipes for water or gas are allowed to penetrate through the HS walls provided that they are laid inside a stainless steel casing encased by 150mm reinforced concrete all round. See FIGURE 3.6.2. Joints in water pipe, gas pipe or the stainless steel conduit shall be located outside the HS.

F

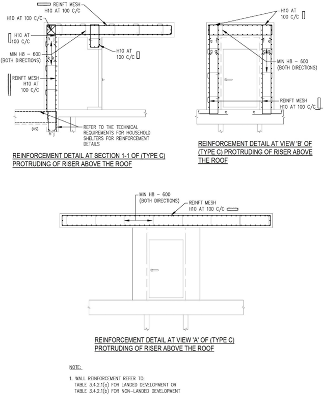
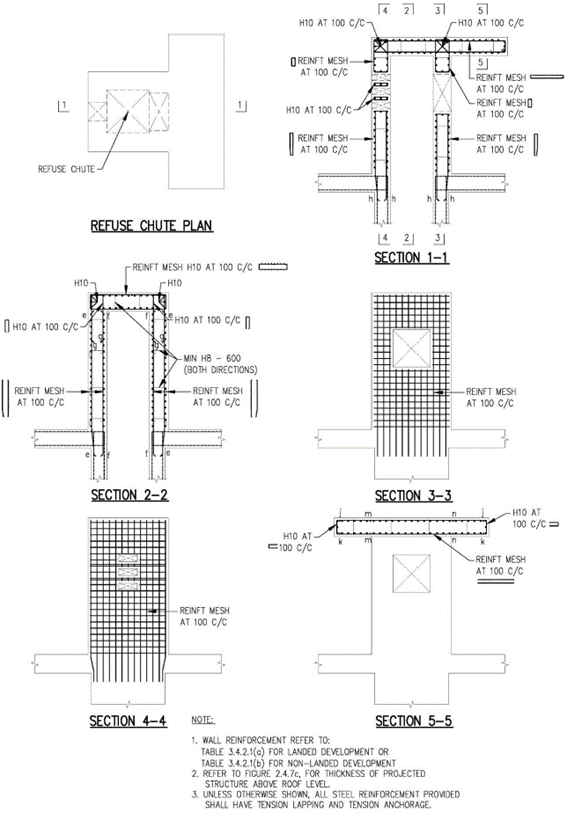
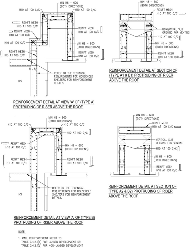
3.6.3 Refuse Chute or/ and Services Risers within the setback distance of HS

Refuse chute and risers for water and gas services can be mounted on the external face of HS walls. Where this structure protrudes above the roof, it shall be designed with a minimum 300mm reinforced concrete all round and reinforcement details as shown in FIGURES 3.6.3(a) to (e).

F